TEBAK
TEBAK Car A12 CNC Plasma Controller DSP 3-Axis USB CNC Motion Control System English Version CNC Router Machine Cutting Machine
TEBAK Car A12 CNC Plasma Controller DSP 3-Axis USB CNC Motion Control System English Version CNC Router Machine Cutting Machine
Couldn't load pickup availability


Features:
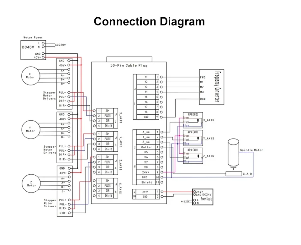
1. This is the original brand: RichAuto
2. The DSP controller of the CNC router can be used without a computer
3. Suitable for 3-axis
4. A112E / A12S is the same as 0503. The function has been improved and used in the same way, A12E/A12S has replaced 0503 since 2015.
5. We have set up the English version before delivery
6. Manuals and software can be sent by mail



Performance improvement
The new plasma cutting control motion mode realizes comprehensive control
Using high-speed 8-core CPU, strong processing capacity, fast computing speed
Strong compatibility of U disk. Fast reading speed, more reliable U disk processing
With parameter backup and recovery functions, it effectively prevents the loss of important parameters
Strong anti-interference ability, passed a number of CE tests
The output port can be customized to control, such as external equipment such as cylinder, arc voltage height adjustment, etc.
The system provides the function of testing the frame of the processed workpiece, making it more convenient to place the materials
The new calculation processing mode can effectively prevent the corner burning of plasma cutting














