TEBAK
DDCS-EXPERT 3/4/5 Axis CNC Standalone Offline Controller Support Close-loop Stepper/ATC Controller Replace DDCSV3.1 MPG
DDCS-EXPERT 3/4/5 Axis CNC Standalone Offline Controller Support Close-loop Stepper/ATC Controller Replace DDCSV3.1 MPG
Couldn't load pickup availability
Standalone Controller DDCS EXPERT 3/4/5 Axis 1Mkhz Support Close-loop Stepper/Double Y-axis /ATC Replace DDCSV3.1
1 x cnc controller (3, 4, 5 axis optional)
1 x USB extension cable
1 x 4GB USB Flash Disk
1 x Network Cable
1 x 5-Axis Emergency Stop Electronic Handwheel MPG
2 x 75w Power Supply
Introduction:
The system DDCS-EXPERT is a professional 3-5 axis motion controller based on an embedded platform. It is equipped with a 7-inch full-color screen, full keyboard input, and customizable function keys to make user operation more convenient. It supports multi-process, straight-line tool magazine, circular Disk tool magazine function. The interface and structure adopt the mainstream method in the market, with simple operation, easy to learn and understand, and convenient installation. The system uses advanced adaptive speed forward control algorithm, which has the characteristics of high processing efficiency and good surface quality. Meet the needs of various engraving machines, engraving and milling machines, cutting
Feature
* Max. 5 Axis;2-4 Axis linear interpolation, any 2 axes circular interpolation;
* 7 inch full color display screen;resolution ratio: 1024*600,40 operation keys
* 24 photoelectric isolated digital inputs,21 photoelectric isolated digital outputs
* Analog spindle control 0-10V spindle control, support PWM Output
* Magazine type: Multi-operation, straight row tool magazine and disc Magazine
* Probe Mode: Support auto-probe and manual probe
* Probe of Fixed position of tool sensor, Probe of Floating tool sensor, first probe/second probe;
* Backlash compensation methods: direction gap compensation, radius gap compensation, length compensation;
* Interpolation Algorithm:S type, circular hard algorithm, circular soft algorithm;
* Language: Chinese, English;
* Software Alarms: Program Error, operation Error, overtravel Error, Driver Error and so on
* Network: Support file share and online machining the remote files
* Differential output for Pulse and Direction signal, max. interpolation pulse output frequency 1Mhz
* Spindle control mode, Mul-speed (4 lines 16 kinds speed), Servo Spindle
* Compatible with standard G-code, support popular CAD/CAM software, such as ArtCam, MasterCam, ProE, JDSoft SurfMill, Aspire, Fusion 360, and so on.
* The control system can preview the processing path before machining, and it makes the system more steady, working smoothy and precise
* Support high-speed machining in continuous Polyline segment, the system can choose a most efficient algorithm automatically from different kinds Polyline segment algorithm;
* Support unlimited size file for machining
* Support Breakpoint resume, "Power Cut" recovery, Try Cut, Start from Nearest Point, Start from the specific line
* Support time-lock function;
* Support 4 kinds of operation rights: visitor, operator, admin, super admin






Introduction to Wiring:
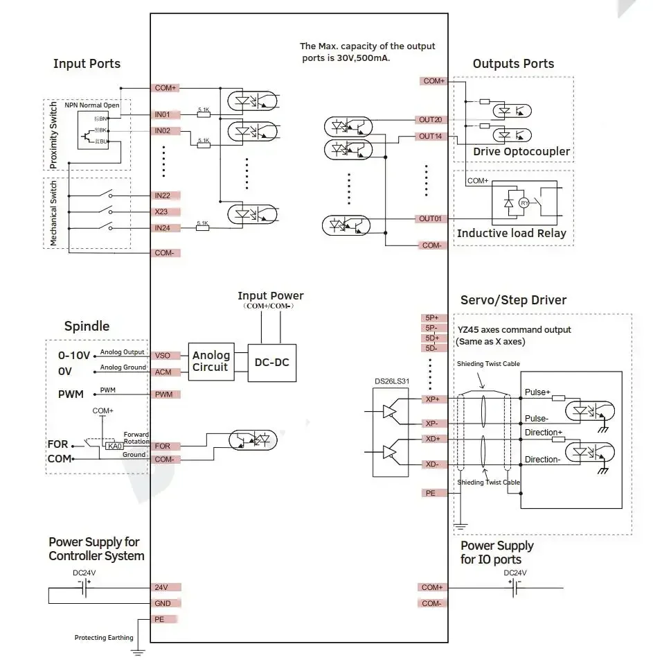
1) System power supply and IO power input port; 2) Driver signal output port; 3) Input
And output port; 4) Spindle output port; 5) MPG port; 6) Ethernet and USB interface; 7)
HMI/RS232 interface.




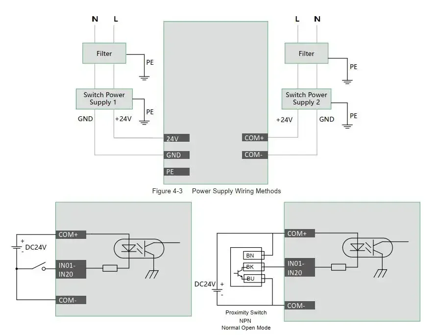
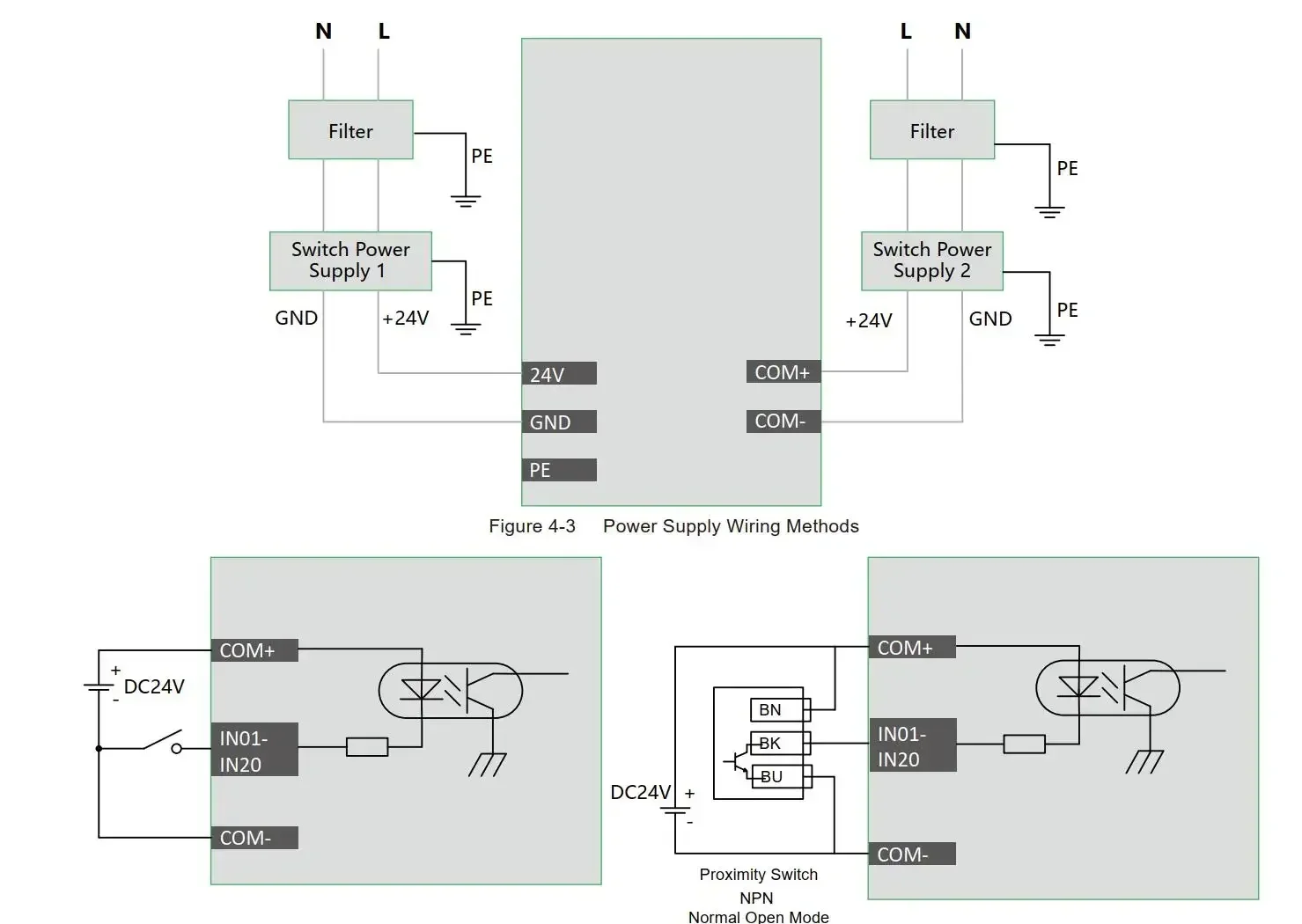
DDCS-EXPERT requires two power supplies, the main power supply is used for the controller system, and the IO port power supply is Used for input and output and MPG port. Both power sources are 24VDC and the current is 3A. Power input port, marked with 24V and GND is the main power input port; in the IO power input Ports, COM+ and COM- are input/output ports and power input ports of MPG. Please keep Please remember that the controller can work normally only if the two power sources are connected correctly Appropriately. Many new users only supply power to the system, and then there are limited switches, relays, MPG and The spindle does not work at all, then please check if it is still supplying power to the IO port. The IO power supply supplies power to all IO ports, including restricted switches, relays, MPG, Etop and All other input and output ports, without it, the spindle, MPG, input and output ports will not work. In order to avoid electrical noise, it is strongly recommended to use two separate 24V power supplies Supplies. In order to avoid high frequency electrical noise from the power cable, it is strongly recommended to install a noise filter at the power input end of the switching power supply


Introduction to inverter wiring:
In the analog spindle, the speed control output terminal can output 0-10V. It can be adjusted By sending a voltage between 0 to 10V to the VFD, the speed of the spindle motor Spindle speed setting. Use VFD (Variable Frequency Drive) to control the speed of the spindle, only need to start /Stop signal and 0-10V signal to control the frequency. The wiring method of the FOR port is the same as that of the normal output port. FOR is used for spindle forward output or start/stop output; The analog circuit is isolated from the power output, do not short-circuit ACM and COM- (DCM); If you only need the start and stop commands of the spindle, you only need to connect the FOR output port The structure of the controller with the start input port of the inverter



Drive wiring:
Step/servo control output, we use differential pulse and direction output method
As shown in Figure 1-12. 1Mhz per axis. There are 3 or 4 or 5 axis options.
Figure 1-12 takes X axis as an example, Y, Z, A, and B are the same wiring methods.
Pulse and direction signal output voltage is ±5V



Input signal wiring:
DDCS-EXPERT input and output are user-defined IO ports, in our example, we have set IN12,
IN11 and IN10 are used as the "axis limit signal" input ports, and we have set IN09 to "Probe"
Output port.
Please note that the limit switch type should be NPN normally open, and the voltage range is
24VDC



DDCS-EXPERT Input and Output are the user-defined IO ports, In our example, we already set IN23
as the " External Start " input port, IN22 as the " External Pause " input port, and IN21 as " External Stop " input Port.
Please choose the external buttons which is 24VDC Power supply input. Then no need an
external power supply for them

MPG wiring:
important:
1) The COMMON terminal of all input signals is COM- instead of GND; do not short-circuit GND and
COM-;
2) MPG needs to be powered through the IO power port (COM + / COM-), otherwise MPG cannot work;
3) Due to pin limitation, if X10 and X100 are not selected, the system only needs to select X1
default.
4) Use the MPG, and then press the "Trial Cut" button, the system can be changed to the "Handwheel Guide" mode.
Boot) can be active












