TEBAK
CNC Red Breakout Board USB MACH3 100Khz 4 Axis Interface Driver Motion Controller Driver Board
CNC Red Breakout Board USB MACH3 100Khz 4 Axis Interface Driver Motion Controller Driver Board
Couldn't load pickup availability
Product Package
1 x Controller card 1 x Jog Handler Controller 1 x USB cable 1 x Hand control board line 1 x CD



Product Description
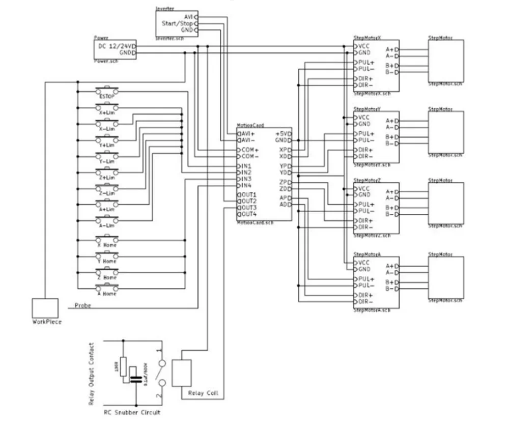
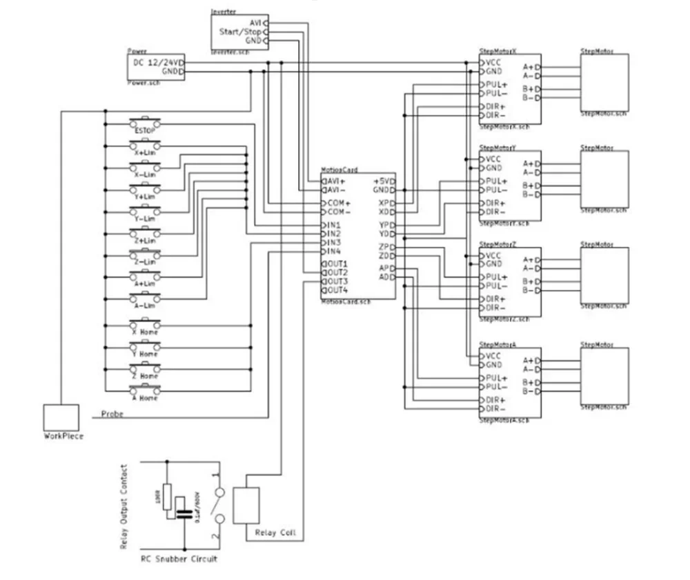
2.Product connection define and method
1.Features 1) Support for 4-axis linkage, you can connect four stepper motor drives or servo drives; 2) Maximum step-pulse frequency is 100 KHz, which is suitable for the servo or stepping motor; 3) Support automatic probe tool 4) Support Emergency input 5) Support for limit switch 6) Support for connecting electronic handwheel 7) Need use external 24V DC power supply to isolate USB and external port, and to make the system more stable. 8) Have 0-10V output port, you can use mach3 software to control the spindle motor speed. 9) 4 general-purpose inputs, you can connect the limit switch, estop switch, probe switch, back to zero and other device 10)4 general-purpose isolated relay drive output interface, can drive four relays for controlling the spindle starts, forward rotating and reverse rotating, pumps and other device; 11)1 status LED, indicate connection status on the board.

3.Structural dimension drawing











